MTZ-35測試:
MTZ-35測試可以通過在DC2或DC3 模擬電解池上運行交流阻抗實驗進行測試。sense+及source+接頭需要連接至DC2的紅色插座,而sense-及source-接頭連接至DC2的白色插座。具體連接方式請參考下圖:
連接完畢后,打開MT-LAB軟件按以下圖示設置實驗參數:

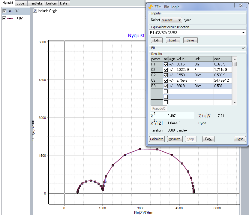
如儀器功能正常將會得到雙圓弧的Nyquist圖結果:

可以將DC2各元件的實際數值與Zfit工具擬合后的結果相對比(在DC2上標識有各元件的種類及數值,R代表電阻,C代表電容)。

